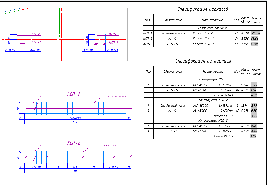
На одном и том же чертеже:
- план раскладки вертикальных каркасов (моделируем сеткой) и спецификацию на количество этих каркасов (вверху вложения)
- на этом же листе чертежи самих каркасов и спецификация на них в отдельности (в нижней части вложения).
План раскладок со спецификацией примерно представляют как сделать, а вот с отдельными чертежами на каркас - проблема

