Все по болтам в Tekla Structures
Все по болтам в Tekla Structures
Привет всем! Я новичек по работе в Tekla. Есть несколько вопросов по болтам, вернее как правильно их вставлять в модели.
1. Почему болты с одинаковыми свойствами отображаются в модели по разному? Данный узел имеет две группы болтов и каждая группа отображается по разному.
2. Как сделать чтобы на чертеже детали отображались только отверстия, которые расположены непосредственно в детали? Красным обведены отверстия, которые не в контуре детали, а все равно показаны и образмерены. Синим и желтым обведены группы болтов. Что делаю не так? И как этого избежать? Неужели по одному болту устанавливать?
1. Почему болты с одинаковыми свойствами отображаются в модели по разному? Данный узел имеет две группы болтов и каждая группа отображается по разному.
2. Как сделать чтобы на чертеже детали отображались только отверстия, которые расположены непосредственно в детали? Красным обведены отверстия, которые не в контуре детали, а все равно показаны и образмерены. Синим и желтым обведены группы болтов. Что делаю не так? И как этого избежать? Неужели по одному болту устанавливать?
Последний раз редактировалось paps 25 янв 2012, 17:42, всего редактировалось 1 раз.
Re: Все по болтам в Tekla Structures
Извиняюсь. Скрины так и не встали. Через вложение так же не добавляется. Может кто подскажет как скрины прикрутить к сообщению (размер картинок не более 205Кб)????
Re: Все по болтам в Tekla Structures
1.попробуй описать в чем именно разница в их отображении, возможно не правильно определен пакет.
2.я так понимаю это группа болтов, проверь к каким деталям ты их привязал.
2.я так понимаю это группа болтов, проверь к каким деталям ты их привязал.
Re: Все по болтам в Tekla Structures
на скринах вся информация есть. Как их прикрепить к сообщению?
- Таран Д. А.
- Администратор
- Сообщения: 2877
- Регистрация: 30 ноя 2011, 18:41
- Откуда: г. Москва
- Контактная информация:
Re: Все по болтам в Tekla Structures
Что то произошло с загрузкой файлов на сервер.. Постараюсь сегодня исправить
Администратор Topengineer.ru 8 (495) 215-07-79 (офис) ; 8 (925) 755-9318 (сот.); Skype wildomen ; http://vk.com/tekla_structures
Разработка КМД | Разработка КМ | Разработка КЖ | Обучение Tekla Structures | Купить Tekla Structures
Разработка КМД | Разработка КМ | Разработка КЖ | Обучение Tekla Structures | Купить Tekla Structures
Re: Все по болтам в Tekla Structures
Вопрос к знатокам Tekla: например по серии молодечно обрез под 24 болт(!) составляет 30 мм,хотя по снипу(1.5 диаметра отверстия),текла само собой ругается и выдает как коллизию, что делать?
Re: Все по болтам в Tekla Structures
Инструменты->параметры->параметры
вкладка проверка на конфликты! думаю дальше понятно)
вкладка проверка на конфликты! думаю дальше понятно)
- Таран Д. А.
- Администратор
- Сообщения: 2877
- Регистрация: 30 ноя 2011, 18:41
- Откуда: г. Москва
- Контактная информация:
Re: Все по болтам в Tekla Structures


Администратор Topengineer.ru 8 (495) 215-07-79 (офис) ; 8 (925) 755-9318 (сот.); Skype wildomen ; http://vk.com/tekla_structures
Разработка КМД | Разработка КМ | Разработка КЖ | Обучение Tekla Structures | Купить Tekla Structures
Разработка КМД | Разработка КМ | Разработка КЖ | Обучение Tekla Structures | Купить Tekla Structures
Re: Все по болтам в Tekla Structures
Айдар,Дима,спасибо за помощь!
По ходу созрел еще вопрос-как сделать так,чтобы по умолчанию диаметр отверстия был +3мм от диаметра болта?
По ходу созрел еще вопрос-как сделать так,чтобы по умолчанию диаметр отверстия был +3мм от диаметра болта?
- Таран Д. А.
- Администратор
- Сообщения: 2877
- Регистрация: 30 ноя 2011, 18:41
- Откуда: г. Москва
- Контактная информация:
Re: Все по болтам в Tekla Structures

Администратор Topengineer.ru 8 (495) 215-07-79 (офис) ; 8 (925) 755-9318 (сот.); Skype wildomen ; http://vk.com/tekla_structures
Разработка КМД | Разработка КМ | Разработка КЖ | Обучение Tekla Structures | Купить Tekla Structures
Разработка КМД | Разработка КМ | Разработка КЖ | Обучение Tekla Structures | Купить Tekla Structures
- Таран Д. А.
- Администратор
- Сообщения: 2877
- Регистрация: 30 ноя 2011, 18:41
- Откуда: г. Москва
- Контактная информация:
Re: Все по болтам в Tekla Structures
Исправил. Картинки можно загружать!paps писал(а):Извиняюсь. Скрины так и не встали. Через вложение так же не добавляется. Может кто подскажет как скрины прикрутить к сообщению (размер картинок не более 205Кб)????
Администратор Topengineer.ru 8 (495) 215-07-79 (офис) ; 8 (925) 755-9318 (сот.); Skype wildomen ; http://vk.com/tekla_structures
Разработка КМД | Разработка КМ | Разработка КЖ | Обучение Tekla Structures | Купить Tekla Structures
Разработка КМД | Разработка КМ | Разработка КЖ | Обучение Tekla Structures | Купить Tekla Structures
Re: Все по болтам в Tekla Structures
Добавил скрины к первому сообщению.
Re: Все по болтам в Tekla Structures
1.Отображаются по разному т.к. по разному построены, если хочешь развернуть болты со второго скрина измени настройку "поворот" на «сверху»paps писал(а):Добавил скрины к первому сообщению.
2.Для разных пакетов деталей используй свои группы болтов. При задании деталей болтового соединения необходимо строго соблюдать порядок соединений: основная, второстепенная, остальные детали пакета. В данном случае колонна, фланец балки, накладки.
Re: Все по болтам в Tekla Structures
Перепробовал различные варианты выбора основной, второстепенной и остальные детали. итог: болты в модели отображаются одинаково, но на чертеже накладок вместо 4 отв. отображаются 8 отв. (4 вне контура детали). Для корректного отображения отверстий можно выйти из положения, только создавая не 2 группы по 4 болта, а 4 группы по 2 болта?
- Таран Д. А.
- Администратор
- Сообщения: 2877
- Регистрация: 30 ноя 2011, 18:41
- Откуда: г. Москва
- Контактная информация:
Re: Все по болтам в Tekla Structures
Группа болтов всегда отображается полностью!
В модели надо нарисовать 2 разные группы болтов и относиться они будут к разным деталям.
И на чертеже он пишет сколько болтов в группе.
Если хочешь чтобы писал выноску над каждым отверстием то делай каждый болт отдельно. Если группой то он и напишет сколько отверстий в группе. Если в одной деталей будет 2 группы то он напишет сколько в каждой (не сложит).
В модели надо нарисовать 2 разные группы болтов и относиться они будут к разным деталям.
И на чертеже он пишет сколько болтов в группе.
Если хочешь чтобы писал выноску над каждым отверстием то делай каждый болт отдельно. Если группой то он и напишет сколько отверстий в группе. Если в одной деталей будет 2 группы то он напишет сколько в каждой (не сложит).
Администратор Topengineer.ru 8 (495) 215-07-79 (офис) ; 8 (925) 755-9318 (сот.); Skype wildomen ; http://vk.com/tekla_structures
Разработка КМД | Разработка КМ | Разработка КЖ | Обучение Tekla Structures | Купить Tekla Structures
Разработка КМД | Разработка КМ | Разработка КЖ | Обучение Tekla Structures | Купить Tekla Structures
Re: Все по болтам в Tekla Structures
Спасибо за подробный ответ.
- vladimir_a
- Сообщения: 699
- Регистрация: 07 дек 2011, 21:22
Re: Все по болтам в Tekla Structures
Как текла подбирает длину болта? Толщина пакета 50 Болт М20х75. Маловато длины ведь.
Re: Все по болтам в Tekla Structures
Почему ты считаешь что маловато? Разве что длина вылета болта за гайку
Формула для определения подробно описана в F1:
Минимально возможная длина болта вычисляется следующим образом:
толщина шайбы (1) +,
толщина материала +,
толщина шайбы (2) +
толщина шайбы (3) (если установлен флажок) +,
толщина гайки (1) +,
толщина гайки (2) +,
дополнительная длина (определяется для каждого болта индивидуально).
ТС определяет необходимую длину болта по этим данным и подбирает из каталога болтов ближайшую по возрастанию длину
Формула для определения подробно описана в F1:
Минимально возможная длина болта вычисляется следующим образом:
толщина шайбы (1) +,
толщина материала +,
толщина шайбы (2) +
толщина шайбы (3) (если установлен флажок) +,
толщина гайки (1) +,
толщина гайки (2) +,
дополнительная длина (определяется для каждого болта индивидуально).
ТС определяет необходимую длину болта по этим данным и подбирает из каталога болтов ближайшую по возрастанию длину
- Таран Д. А.
- Администратор
- Сообщения: 2877
- Регистрация: 30 ноя 2011, 18:41
- Откуда: г. Москва
- Контактная информация:
Re: Все по болтам в Tekla Structures
У тебя не задана дополнительная длинна.
Измени 0 на 5 мм.
Всегда ставь 5 мм. Сохрани как стандарт.
В других болтовых соединениях у тебя есть вылет за гайку потому что 0 это гарантированный вылет а не обязательный.
Так и 5 мм это будет гарантированный вылет а не реальное значение.
Это связанно с тем что длины болтов подбираются из реальных, а у них длины с разным шагом 55-60-65.. то есть дискретность далеко не 1 мм.
То есть если толщина твоего пакета 53 мм у тебя гарантированный вылет 0 то болт будет 53+0 такого болта нет берем ближайший больший 55 то есть ты вылет увидишь.
Если при толщине пакета 53 мм ты задашь гарантированный вылет (дополнительную длину) 5 то реальный болт выберет 53+5=58 такого болта нет берем ближайший больший 60мм.
Все логично.
Измени 0 на 5 мм.
Всегда ставь 5 мм. Сохрани как стандарт.
В других болтовых соединениях у тебя есть вылет за гайку потому что 0 это гарантированный вылет а не обязательный.
Так и 5 мм это будет гарантированный вылет а не реальное значение.
Это связанно с тем что длины болтов подбираются из реальных, а у них длины с разным шагом 55-60-65.. то есть дискретность далеко не 1 мм.
То есть если толщина твоего пакета 53 мм у тебя гарантированный вылет 0 то болт будет 53+0 такого болта нет берем ближайший больший 55 то есть ты вылет увидишь.
Если при толщине пакета 53 мм ты задашь гарантированный вылет (дополнительную длину) 5 то реальный болт выберет 53+5=58 такого болта нет берем ближайший больший 60мм.
Все логично.
Администратор Topengineer.ru 8 (495) 215-07-79 (офис) ; 8 (925) 755-9318 (сот.); Skype wildomen ; http://vk.com/tekla_structures
Разработка КМД | Разработка КМ | Разработка КЖ | Обучение Tekla Structures | Купить Tekla Structures
Разработка КМД | Разработка КМ | Разработка КЖ | Обучение Tekla Structures | Купить Tekla Structures
- vladimir_a
- Сообщения: 699
- Регистрация: 07 дек 2011, 21:22
Re: Все по болтам в Tekla Structures
Спасибо Дим. Теперь начал понимать, а то после advance steel, в котором эти правила подссчета длины делаешь сам-в текла немного по-другому
-
Bagiration
- Сообщения: 52
- Регистрация: 05 фев 2012, 14:02
Re: Все по болтам в Tekla Structures
Добрый вечер, уважаемые форумчане. Возник такой вот вопрос. Как Вы поступаете, с классами прочности болтов? Как их назначить, чтобы нетолько на чертежах они были видны, но и самое главное в отчётах отображались соответствующим образом?
С уважением...
С уважением...
Re: Все по болтам в Tekla Structures
Детализация > Каталог комплекта болтов
создаете компдект (в название удобно будет показать класс) В строке сорт указываете класс
в отчетах применяете атрибут GetValue("GRADE")
создаете компдект (в название удобно будет показать класс) В строке сорт указываете класс
в отчетах применяете атрибут GetValue("GRADE")
-
Bagiration
- Сообщения: 52
- Регистрация: 05 фев 2012, 14:02
Re: Все по болтам в Tekla Structures
Благодарствую, буду разбираться...
Т.е. получается, что обязательно перед простановкой болтов надо назначить "сорт". А можно поменять это значение для тех болтов, которые уже стоят в моделе? А то, я эту возможность пока не нашёл?
Спасибо за внимание!
Т.е. получается, что обязательно перед простановкой болтов надо назначить "сорт". А можно поменять это значение для тех болтов, которые уже стоят в моделе? А то, я эту возможность пока не нашёл?
Спасибо за внимание!
-
Bagiration
- Сообщения: 52
- Регистрация: 05 фев 2012, 14:02
Re: Все по болтам в Tekla Structures
Уважаемые форумчане и коллеги. Всем доброго утра.
1. Не подскажите как можно поменять класс прочности болтов, если они уже стоят в модели?
2. Бывает ли у Вас такой бред... Когда ставишь галочку на вторую гайку в свойствах при создании болтов, то появляется и третьяя шайба. Причём в той же модели, при создании следующих болтов всё может быть нормально. Не пойму причинно-следственную связь...
Благодарю за внимание..
С уваженим...
1. Не подскажите как можно поменять класс прочности болтов, если они уже стоят в модели?
2. Бывает ли у Вас такой бред... Когда ставишь галочку на вторую гайку в свойствах при создании болтов, то появляется и третьяя шайба. Причём в той же модели, при создании следующих болтов всё может быть нормально. Не пойму причинно-следственную связь...
Благодарю за внимание..
С уваженим...
- Таран Д. А.
- Администратор
- Сообщения: 2877
- Регистрация: 30 ноя 2011, 18:41
- Откуда: г. Москва
- Контактная информация:
Re: Все по болтам в Tekla Structures
Это не глюк. Ни в коем случае.
Высокопрочные болты не бывают полно резьбовыми. Если толщина пакета очень мала и первая гайка не может закрутиться так далеко на теле болта (недорез) то автоматически ставится прокладки, которые увеличат толщину пакета до приемлемой величины.
Варианты решения:
1.Отключи их они и не подставится, только болт может не создастся или указать на ошибку.(рекомендую)
2. Проверь не слишком ли велика у тебя дополнительна часть (на сколько болт должен торчать за гайкой).
3. Поменять узел. Увеличить толщину пакета.
Высокопрочные болты не бывают полно резьбовыми. Если толщина пакета очень мала и первая гайка не может закрутиться так далеко на теле болта (недорез) то автоматически ставится прокладки, которые увеличат толщину пакета до приемлемой величины.
Варианты решения:
1.Отключи их они и не подставится, только болт может не создастся или указать на ошибку.(рекомендую)
2. Проверь не слишком ли велика у тебя дополнительна часть (на сколько болт должен торчать за гайкой).
3. Поменять узел. Увеличить толщину пакета.
Администратор Topengineer.ru 8 (495) 215-07-79 (офис) ; 8 (925) 755-9318 (сот.); Skype wildomen ; http://vk.com/tekla_structures
Разработка КМД | Разработка КМ | Разработка КЖ | Обучение Tekla Structures | Купить Tekla Structures
Разработка КМД | Разработка КМ | Разработка КЖ | Обучение Tekla Structures | Купить Tekla Structures
- Таран Д. А.
- Администратор
- Сообщения: 2877
- Регистрация: 30 ноя 2011, 18:41
- Откуда: г. Москва
- Контактная информация:
Re: Все по болтам в Tekla Structures
Унас так: KMD_RUS V1.0Bagiration писал(а):Уважаемые форумчане и коллеги. Всем доброго утра.
1. Не подскажите как можно поменять класс прочности болтов, если они уже стоят в модели?
С уваженим...

Для высокопрочки отдельно (спасибо за идею Белгородскому ЗМК)

Это пользовательские атрибуты поэтому на нумерацию они не влияют. Можно хоть весть проект выделить и применить за 1 раз.
Администратор Topengineer.ru 8 (495) 215-07-79 (офис) ; 8 (925) 755-9318 (сот.); Skype wildomen ; http://vk.com/tekla_structures
Разработка КМД | Разработка КМ | Разработка КЖ | Обучение Tekla Structures | Купить Tekla Structures
Разработка КМД | Разработка КМ | Разработка КЖ | Обучение Tekla Structures | Купить Tekla Structures
-
Владимир Шнейдер
- Сообщения: 291
- Регистрация: 03 фев 2012, 17:29
- Откуда: Днепропетровск
Re: Все по болтам в Tekla Structures
такой вопрос.
есть косые шайбы гост 10906-78*. Можно ли добавить такую косую шайбу в каталог болтов? хотя бы сделать так, чтобы она правильно отображалась в спецификации, если не в модели?
есть косые шайбы гост 10906-78*. Можно ли добавить такую косую шайбу в каталог болтов? хотя бы сделать так, чтобы она правильно отображалась в спецификации, если не в модели?
- vladimir_a
- Сообщения: 699
- Регистрация: 07 дек 2011, 21:22
Re: Все по болтам в Tekla Structures
я так понимаю шайбы можно создавать только круглые. в вашем случае только отыгрываться толщиной и массой. Как вариант куски швеллера не пробовали рассматривать?
-
Владимир Шнейдер
- Сообщения: 291
- Регистрация: 03 фев 2012, 17:29
- Откуда: Днепропетровск
Re: Все по болтам в Tekla Structures
я тоже нашел только такую возможностьvla писал(а):я так понимаю шайбы можно создавать только круглые.
а как можно использовать кусок швеллера?vla писал(а):в вашем случае только отыгрываться толщиной и массой. Как вариант куски швеллера не пробовали рассматривать?
можно сделать так - сделать косую пластинку с нужными размерами, положить ее в нужном месте, пронизать болтом, обозвать метизом и потом руками перенести в ведомость метизов. но не хочется, думаю, пожертвуем красотой картинки в модели. но тут есть другая проблема - размер шайбы подбирается в зависимости не от диаметра болта, а от необходимого уклона шайбы (зависит от номера профиля двутавра или швеллера с косыми полками). вот как в таком случае быть, не знаю.
Re: Все по болтам в Tekla Structures
Возможно создать каталог 10906-78, и использовать его вместо пружинной, в отчетах должно нормально отоброжаться
Или создавай свой компонент
Или создавай свой компонент
Re: Все по болтам в Tekla Structures
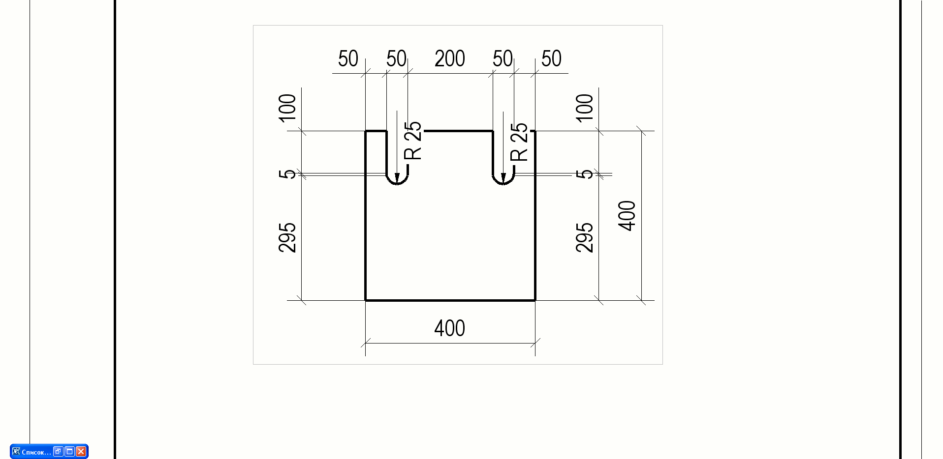
Подскажите как лучше такую штуку задать в TS. С болтами мало работать приходилось, сижу вот уже третий вариант пробую - лажа получается. См. картинку.
-
Bagiration
- Сообщения: 52
- Регистрация: 05 фев 2012, 14:02
Re: Все по болтам в Tekla Structures
Я только скажу критику сразу, инженер метрическую резьбу пишет с буквой М, а не с диаметром...
- Таран Д. А.
- Администратор
- Сообщения: 2877
- Регистрация: 30 ноя 2011, 18:41
- Откуда: г. Москва
- Контактная информация:
Re: Все по болтам в Tekla Structures
Опиши более подробно что хочется видеть. А то вопрос немного непонятен.Letranger писал(а):Подскажите как лучше такую штуку задать в TS. С болтами мало работать приходилось, сижу вот уже третий вариант пробую - лажа получается. См. картинку.
Администратор Topengineer.ru 8 (495) 215-07-79 (офис) ; 8 (925) 755-9318 (сот.); Skype wildomen ; http://vk.com/tekla_structures
Разработка КМД | Разработка КМ | Разработка КЖ | Обучение Tekla Structures | Купить Tekla Structures
Разработка КМД | Разработка КМ | Разработка КЖ | Обучение Tekla Structures | Купить Tekla Structures
-
Владимир Шнейдер
- Сообщения: 291
- Регистрация: 03 фев 2012, 17:29
- Откуда: Днепропетровск
Re: Все по болтам в Tekla Structures
Вопрос о постоянных и монтажных болтах.
В хороших конструкциях все болты - постоянные. В нехороших - монтажная сварка и временные (монтажные) болты для удержания конструкции на время обваривания. Я не нашел в текле встроенной возможности разделить эти типы болтов - параметр цех/площадка - это не то.
Пока думаю вписывать эту информацию в примечание к болту. Может, у кого есть более красивые идеи?
Далее, информацию о типе болта нужно использовать:
1) на чертеже, в символе болта (постоянный - светлый ромбик, монтажный - закрашенный ромбик). Как сделать автоматом - не вижу. как сделать ручками, тоже непонятно - пользовательский символ забивается только 1 (точнее, идет ссылка на файл, где различается только гост и диаметр болта)
2) в ведомости метизов - желательно дать одну ведомость на монтажные и другую ведомость на постоянные болты. С этим, думаю, поборюсь
В хороших конструкциях все болты - постоянные. В нехороших - монтажная сварка и временные (монтажные) болты для удержания конструкции на время обваривания. Я не нашел в текле встроенной возможности разделить эти типы болтов - параметр цех/площадка - это не то.
Пока думаю вписывать эту информацию в примечание к болту. Может, у кого есть более красивые идеи?
Далее, информацию о типе болта нужно использовать:
1) на чертеже, в символе болта (постоянный - светлый ромбик, монтажный - закрашенный ромбик). Как сделать автоматом - не вижу. как сделать ручками, тоже непонятно - пользовательский символ забивается только 1 (точнее, идет ссылка на файл, где различается только гост и диаметр болта)
2) в ведомости метизов - желательно дать одну ведомость на монтажные и другую ведомость на постоянные болты. С этим, думаю, поборюсь
Re: Все по болтам в Tekla Structures
Для определения пост/монт болтов можете использовать разные каталоги комплектов болтов (чаще по факту так и приходится делать), например ГОСТ ХХХХ-ХХ 8.8 (постоянные)
1. Нужно поменять символ болтов, в Ф1 тема: "Создание определенных пользователем символов болтов" (файл bolt_symbol_table.txt у вас наверняка есть) если что спрашивайте
2. Я тоже думаю проблем не будет;)
1. Нужно поменять символ болтов, в Ф1 тема: "Создание определенных пользователем символов болтов" (файл bolt_symbol_table.txt у вас наверняка есть) если что спрашивайте
2. Я тоже думаю проблем не будет;)
-
Владимир Шнейдер
- Сообщения: 291
- Регистрация: 03 фев 2012, 17:29
- Откуда: Днепропетровск
Re: Все по болтам в Tekla Structures
Тоже думал над таким вариантом. то есть вы делаете просто два каталога болтов - отдельно постоянные, отдельно монтажные?
Re: Все по болтам в Tekla Structures
Это наиболее простой вариант думается мне. Не обязательно два каталога, чем больше, тем лучше (стандарты болтов и гаек, класс прочности, материал, покрытие могут быть разными)!
там же забивается Сорт, Обработка, Материал которые можно использовать при выводе отчетов
там же забивается Сорт, Обработка, Материал которые можно использовать при выводе отчетов
-
Владимир Шнейдер
- Сообщения: 291
- Регистрация: 03 фев 2012, 17:29
- Откуда: Днепропетровск
Re: Все по болтам в Tekla Structures
Я просто работаю В KMD_RUS.01, там уже сделаны свойства болта, в которых заносится класс, обработка и все остальное.
-
Владимир Шнейдер
- Сообщения: 291
- Регистрация: 03 фев 2012, 17:29
- Откуда: Днепропетровск
Re: Все по болтам в Tekla Structures
Возвращаюсь к длинам болтов. Учитывает ли текла длину резьбы на болте? Наприер, для м24 высокопрочного длина резьбы 54 мм. И нужно, чтобы резьба не заходила в деталь. Тогда, если пакет 36 мм, то длина болта подбирается 75 мм- при этом резьба будет внутри соединяемых деталей. Похоже, что сейчас это нигде не контролируется.
Что-то можно сделать?
Что-то можно сделать?
- vladimir_a
- Сообщения: 699
- Регистрация: 07 дек 2011, 21:22
Re: Все по болтам в Tekla Structures
выбираете волокно в материале-нет? у меня при таких условиях подбирается М24х100 две шайбы- третью программно ставит одна гайкаВладимир Шнейдер писал(а):Возвращаюсь к длинам болтов. Учитывает ли текла длину резьбы на болте? Наприер, для м24 высокопрочного длина резьбы 54 мм. И нужно, чтобы резьба не заходила в деталь. Тогда, если пакет 36 мм, то длина болта подбирается 75 мм- при этом резьба будет внутри соединяемых деталей. Похоже, что сейчас это нигде не контролируется.
Что-то можно сделать?
-
Владимир Шнейдер
- Сообщения: 291
- Регистрация: 03 фев 2012, 17:29
- Откуда: Днепропетровск
Re: Все по болтам в Tekla Structures
спасибо, параллельно с заданным вопросом сам покопался в текле и нашел этот параметр. действительно, работает - единственно - локализация, конечно, хромает, никогда бы не понял, что означает этот параметр.vla писал(а):выбираете волокно в материале-нет? у меня при таких условиях подбирается М24х100 две шайбы- третью программно ставит одна гайка
Re: Все по болтам в Tekla Structures
Добрый вечер.
Можете поделиться секретом, как сделать так, чтобы высокопрочные болты отображались в модели другим цветом. Спасибо.
Можете поделиться секретом, как сделать так, чтобы высокопрочные болты отображались в модели другим цветом. Спасибо.
Re: Все по болтам в Tekla Structures
Все понял, попробовал, но почему то, цвета болтов не меняютсяCuPo>I<a писал(а):не знаю понятно или нет - пробуйте
- vladimir_a
- Сообщения: 699
- Регистрация: 07 дек 2011, 21:22
Re: Все по болтам в Tekla Structures
картинки покажиZVU писал(а):Все понял, попробовал, но почему то, цвета болтов не меняютсяCuPo>I<a писал(а):не знаю понятно или нет - пробуйте
Re: Все по болтам в Tekla Structures
Извиняюсь затупил немного, все получилось. Спасибо.vla писал(а):картинки покажиZVU писал(а):Все понял, попробовал, но почему то, цвета болтов не меняютсяCuPo>I<a писал(а):не знаю понятно или нет - пробуйте
Re: Все по болтам в Tekla Structures
Доброе время суток!Помогите объяснить, как создаются резьбовые шпильки(TS17x64.SP3)?В хелпе и мануале не могу найти достаточной информации. Заранее благодарен!
- vladimir_a
- Сообщения: 699
- Регистрация: 07 дек 2011, 21:22
Re: Все по болтам в Tekla Structures
Здесь только если свой компонент и балкой. Резьбу вырезом другим теломmischa писал(а):Доброе время суток!Помогите объяснить, как создаются резьбовые шпильки(TS17x64.SP3)?В хелпе и мануале не могу найти достаточной информации. Заранее благодарен!
Re: Все по болтам в Tekla Structures
А зачем тогда в редакторе шаблонов (TplEd) есть строка с типом содержимого "резьбовая шпилька".В редакторе нестандартных компонентов тип значений переменной:размер резьбовой шпильки,стандарт ...,длинна.такое ощущение что должна быть стандартная деталь резьбовая шпилька(такая как болт,шайба,гайка)?
-
Владимир Шнейдер
- Сообщения: 291
- Регистрация: 03 фев 2012, 17:29
- Откуда: Днепропетровск
Re: Все по болтам в Tekla Structures
Вопрос почти риторический, но задам для общественного обсуждения.
Мы на чертежах указываем ведомость метизов с надбавкой в 5% (на усушку-утруску). Например, в марке должно быть 10 болтов, 10*1.05=10.5 = 11 болтов.
И теперь начинается свистопляска:
1) при формировании общей ведомости метизов, если у нас есть 10 марок, то согласно теклы, будет 10*1.05*10=105 болтов, а согласно бухгалтерии - 11*10=110 болтов должно быть.
2) при расчете веса болтов получаем вес 10,5 болта - я не могу в формуле для определения веса ставить округление, так как у меня может быть 10 групп по 1 болту, и округление 10.5 болтов это не то же самое, что округление 10 раз по 1.05 болта
какие вижу выходы из ситуации:
1) давать на чертеже метизы сразу на все одинаковые марки . тогда количество в сборочном чертеже совпадет с итоговой ведомостью, но монтажникам будет сложнее - непонятно, сколько реально болтов они должны поставить на одну марку.
2) на сборочном чертеже давать точное количество, а в итоговой таблице дать отдельной графой "+5%". Но вопрос с вычислением правильного веса все равно остается открытым - поскольку каждая цифра - это результат суммы всех болтов данной длины и диаметра по всей модели, я складываю чистый вес с учетом 5%, а вот как его округлить так, чтобы он был равен количеству (округленному до целого)*вес одного, ума не приложу.
Есть радикальный выход - давать эту таблицу не в текле, а экспортировать отчет по метизам в ексел и вставлять его в шаблон чертежа. НО как гарантировать то, что он совпадет с суммой всех табличек по сборочным чертежам, пока не знаю
Мы на чертежах указываем ведомость метизов с надбавкой в 5% (на усушку-утруску). Например, в марке должно быть 10 болтов, 10*1.05=10.5 = 11 болтов.
И теперь начинается свистопляска:
1) при формировании общей ведомости метизов, если у нас есть 10 марок, то согласно теклы, будет 10*1.05*10=105 болтов, а согласно бухгалтерии - 11*10=110 болтов должно быть.
2) при расчете веса болтов получаем вес 10,5 болта - я не могу в формуле для определения веса ставить округление, так как у меня может быть 10 групп по 1 болту, и округление 10.5 болтов это не то же самое, что округление 10 раз по 1.05 болта
какие вижу выходы из ситуации:
1) давать на чертеже метизы сразу на все одинаковые марки . тогда количество в сборочном чертеже совпадет с итоговой ведомостью, но монтажникам будет сложнее - непонятно, сколько реально болтов они должны поставить на одну марку.
2) на сборочном чертеже давать точное количество, а в итоговой таблице дать отдельной графой "+5%". Но вопрос с вычислением правильного веса все равно остается открытым - поскольку каждая цифра - это результат суммы всех болтов данной длины и диаметра по всей модели, я складываю чистый вес с учетом 5%, а вот как его округлить так, чтобы он был равен количеству (округленному до целого)*вес одного, ума не приложу.
Есть радикальный выход - давать эту таблицу не в текле, а экспортировать отчет по метизам в ексел и вставлять его в шаблон чертежа. НО как гарантировать то, что он совпадет с суммой всех табличек по сборочным чертежам, пока не знаю
Re: Все по болтам в Tekla Structures
Резьбовая шпилька – это особый тип болта, который приваривается к стальным деталям для передачи нагрузок между сталью и цементом.mischa писал(а):А зачем тогда в редакторе шаблонов (TplEd) есть строка с типом содержимого "резьбовая шпилька".В редакторе нестандартных компонентов тип значений переменной:размер резьбовой шпильки,стандарт ...,длинна.такое ощущение что должна быть стандартная деталь резьбовая шпилька(такая как болт,шайба,гайка)?
Re: Все по болтам в Tekla Structures
to Владимир Шнейдер
второй вариант более правилен, только, предлагаю округление ставить изначально на единицу, а при суммировании использовать округленный ТОТАЛ
второй вариант более правилен, только, предлагаю округление ставить изначально на единицу, а при суммировании использовать округленный ТОТАЛ
-
Владимир Шнейдер
- Сообщения: 291
- Регистрация: 03 фев 2012, 17:29
- Откуда: Днепропетровск
Re: Все по болтам в Tekla Structures
Есть часть сборок, выданных в работу. соответсвующие чертежи заморожены и заблокированы. Хочу теперь заказать метизы на эти сборки. Как мне их выделить так, чтобы болты попали в выделение? Если из списка чертежей нажать "выбрать объекты", то сборки выделяются без болтов, отчет по болтам не работает
- Таран Д. А.
- Администратор
- Сообщения: 2877
- Регистрация: 30 ноя 2011, 18:41
- Откуда: г. Москва
- Контактная информация:
Re: Все по болтам в Tekla Structures
Отфильтруй на виде нужные сборки. Болты отобразятся после фильтра только те которые принадлежат этим сборкам.
Далее создать из выбранного.
Далее создать из выбранного.
Администратор Topengineer.ru 8 (495) 215-07-79 (офис) ; 8 (925) 755-9318 (сот.); Skype wildomen ; http://vk.com/tekla_structures
Разработка КМД | Разработка КМ | Разработка КЖ | Обучение Tekla Structures | Купить Tekla Structures
Разработка КМД | Разработка КМ | Разработка КЖ | Обучение Tekla Structures | Купить Tekla Structures
-
Владимир Шнейдер
- Сообщения: 291
- Регистрация: 03 фев 2012, 17:29
- Откуда: Днепропетровск
Re: Все по болтам в Tekla Structures
да, так можно, но там полсотни чертежей, нумерация вразброс, мне сильно не хочется перенабирать все это вручнуюТаран Д. А. писал(а):Отфильтруй на виде нужные сборки. Болты отобразятся после фильтра только те которые принадлежат этим сборкам.
Далее создать из выбранного.
- Таран Д. А.
- Администратор
- Сообщения: 2877
- Регистрация: 30 ноя 2011, 18:41
- Откуда: г. Москва
- Контактная информация:
Re: Все по болтам в Tekla Structures
Выдели нужные чертежи.Владимир Шнейдер писал(а):да, так можно, но там полсотни чертежей, нумерация вразброс, мне сильно не хочется перенабирать все это вручнуюТаран Д. А. писал(а):Отфильтруй на виде нужные сборки. Болты отобразятся после фильтра только те которые принадлежат этим сборкам.
Далее создать из выбранного.
Перенеси их в новую стадию CTRL+H
Фильтруй на виде по стадии.
Далее понятно.
Администратор Topengineer.ru 8 (495) 215-07-79 (офис) ; 8 (925) 755-9318 (сот.); Skype wildomen ; http://vk.com/tekla_structures
Разработка КМД | Разработка КМ | Разработка КЖ | Обучение Tekla Structures | Купить Tekla Structures
Разработка КМД | Разработка КМ | Разработка КЖ | Обучение Tekla Structures | Купить Tekla Structures
-
Владимир Шнейдер
- Сообщения: 291
- Регистрация: 03 фев 2012, 17:29
- Откуда: Днепропетровск
Re: Все по болтам в Tekla Structures
да, так уже и сам хотел
Re: Все по болтам в Tekla Structures
Добрый день. Подскажите, пожалуйста как сделать так, чтобы при создании новой модели в нее подгружались созданные мной каталог болтов и каталог комплектов болтов.
-
Владимир Шнейдер
- Сообщения: 291
- Регистрация: 03 фев 2012, 17:29
- Откуда: Днепропетровск
Re: Все по болтам в Tekla Structures
перенесите их из созданной модели в среду. тогда они подтянутся в новую модельZVU писал(а):Добрый день. Подскажите, пожалуйста как сделать так, чтобы при создании новой модели в нее подгружались созданные мной каталог болтов и каталог комплектов болтов.
Re: Все по болтам в Tekla Structures
Всем добрый день! По мере создания 3d модели возник один,но немаловажный вопрос-как создать свои болты так,чтобы они отображались в спецификации как штучный элемент ,например анкер распорный М12х120. В каталоге болтов создал,но вот добиться того,чтобы можно было их применить или заменить какой-нибудь болт пока не получается.
- Таран Д. А.
- Администратор
- Сообщения: 2877
- Регистрация: 30 ноя 2011, 18:41
- Откуда: г. Москва
- Контактная информация:
Re: Все по болтам в Tekla Structures
У нас такая возможность реализована в новой версии среды kmd_rus. Среда будет доступна через 2-3 недели. Стандартными средствами реализовать такое будет невозможно без программирования.Syava писал(а):Всем добрый день! По мере создания 3d модели возник один,но немаловажный вопрос-как создать свои болты так,чтобы они отображались в спецификации как штучный элемент ,например анкер распорный М12х120. В каталоге болтов создал,но вот добиться того,чтобы можно было их применить или заменить какой-нибудь болт пока не получается.
Если все же Вам нужно срочно что то придумать то можете создать собственный отчет в котором будет учитываться только часть. Однако, для новичка это будет слишком сложно.
viewforum.php?f=11
В этой ветке форуме есть некоторая информация по этой теме.
Администратор Topengineer.ru 8 (495) 215-07-79 (офис) ; 8 (925) 755-9318 (сот.); Skype wildomen ; http://vk.com/tekla_structures
Разработка КМД | Разработка КМ | Разработка КЖ | Обучение Tekla Structures | Купить Tekla Structures
Разработка КМД | Разработка КМ | Разработка КЖ | Обучение Tekla Structures | Купить Tekla Structures
Re: Все по болтам в Tekla Structures
Привет всем! Я новичек по работе в Tekla.
Добавлял в каталог болтов свой болты и заметил ошибку в значений веса для гаек высокопрочных болтов. Мелочь но все таки...
Вопрос состоит в том как внести изменения в среду? чтобы не таскать каталог из модели в модель.
Добавлял в каталог болтов свой болты и заметил ошибку в значений веса для гаек высокопрочных болтов. Мелочь но все таки...
Вопрос состоит в том как внести изменения в среду? чтобы не таскать каталог из модели в модель.
- vladimir_a
- Сообщения: 699
- Регистрация: 07 дек 2011, 21:22
Re: Все по болтам в Tekla Structures
перенеси screwdb.db в папку C:\TeklaStructures\17.0\environments\ваша среда\profil\ это болты@ндрей писал(а):Привет всем! Я новичек по работе в Tekla.
Добавлял в каталог болтов свой болты и заметил ошибку в значений веса для гаек высокопрочных болтов. Мелочь но все таки...
Вопрос состоит в том как внести изменения в среду? чтобы не таскать каталог из модели в модель.
assdb.db - это комплекты
Re: Все по болтам в Tekla Structures
Спасибо!
Re: Все по болтам в Tekla Structures
Всем привет! Вопрос у меня такого плана. В проекте мне нужно прикрепить поликарбонат к каркасу м/к, в "болтах" саморезов нет, можно ли каким либо способом добавить саморезы в базу.
- Таран Д. А.
- Администратор
- Сообщения: 2877
- Регистрация: 30 ноя 2011, 18:41
- Откуда: г. Москва
- Контактная информация:
Re: Все по болтам в Tekla Structures
Создай комплект метизов и назови его как угодно. Единственное что рисоваться они все равно будут как болты но в ведомости будут писаться правильно.Дмитрий писал(а):Всем привет! Вопрос у меня такого плана. В проекте мне нужно прикрепить поликарбонат к каркасу м/к, в "болтах" саморезов нет, можно ли каким либо способом добавить саморезы в базу.
Полноценные нестандартные метизы можно сделать только в среде KMD_RUS_V2.1 Там для этого есть своя меню с возможностью создания своих комплектов метизов.

Администратор Topengineer.ru 8 (495) 215-07-79 (офис) ; 8 (925) 755-9318 (сот.); Skype wildomen ; http://vk.com/tekla_structures
Разработка КМД | Разработка КМ | Разработка КЖ | Обучение Tekla Structures | Купить Tekla Structures
Разработка КМД | Разработка КМ | Разработка КЖ | Обучение Tekla Structures | Купить Tekla Structures
-
Андрей Мисюра
- Сообщения: 63
- Регистрация: 07 апр 2012, 23:06
Re: Все по болтам в Tekla Structures
А когда можно будет приобрести КМД РУС 2.1?
- Таран Д. А.
- Администратор
- Сообщения: 2877
- Регистрация: 30 ноя 2011, 18:41
- Откуда: г. Москва
- Контактная информация:
Re: Все по болтам в Tekla Structures
Надеюсь что через неделю.Андрей Мисюра писал(а):А когда можно будет приобрести КМД РУС 2.1?
Администратор Topengineer.ru 8 (495) 215-07-79 (офис) ; 8 (925) 755-9318 (сот.); Skype wildomen ; http://vk.com/tekla_structures
Разработка КМД | Разработка КМ | Разработка КЖ | Обучение Tekla Structures | Купить Tekla Structures
Разработка КМД | Разработка КМ | Разработка КЖ | Обучение Tekla Structures | Купить Tekla Structures
Re: Все по болтам в Tekla Structures
Уважаемые форумчане, по расположению болтов Tekla должна выдавать ошибку. Но при проверке на конфликты ошибки нет. В чем проблема?
Неужели никто не знает ответ? Если я что-то не так делаю, то хоть напишите - ДУРАК ))))))) А то неизвестно в каком направлении двигаться )))))))))
Неужели никто не знает ответ? Если я что-то не так делаю, то хоть напишите - ДУРАК ))))))) А то неизвестно в каком направлении двигаться )))))))))
Re: Все по болтам в Tekla Structures
диспетчер конфликтов срабатывает на болты
Re: Все по болтам в Tekla Structures
Вот этот диспетчер конфликтов? В строке состояния, после проверки через него, появляется надпись "конфликтов не обнаружено"rka писал(а):диспетчер конфликтов срабатывает на болты
- vladimir_a
- Сообщения: 699
- Регистрация: 07 дек 2011, 21:22
Re: Все по болтам в Tekla Structures
Нет это в настройках
Re: Все по болтам в Tekla Structures
Vla, распиши пожалуйста подробней. Перерыл справку, но ничего подходящего в настройках не нашел.vla писал(а):Нет это в настройках
- vladimir_a
- Сообщения: 699
- Регистрация: 07 дек 2011, 21:22
Re: Все по болтам в Tekla Structures
Ты расстояния между болтами и от края до болта сделай равное или больше 2* диаметр отверстия и ругаться перестанет.
Re: Все по болтам в Tekla Structures
Вопрос не в том что ругаться перестанет, а в том что Tekla вообще у меня не ругается на болты. Даже если я заведомо располагаю их так что они налазят друг на друга. Иначе говоря, я хочу смоделировать ситуацию ошибки в расположении болтов и посмотреть как Tekla найдет эту ошибку...Если же какая-то деталь накладывается на болт, то программа видит это и указывает место. Чертовщина ))))))))vla писал(а):Ты расстояния между болтами и от края до болта сделай равное или больше 2* диаметр отверстия и ругаться перестанет.
- vladimir_a
- Сообщения: 699
- Регистрация: 07 дек 2011, 21:22
Re: Все по болтам в Tekla Structures
Про болты она пишет не через диспетчер конфликтов. А внизу в левом углу что то там про идентификатор и расстояние от края до болта.
Re: Все по болтам в Tekla Structures
Вот теперь все встало на свои места. Спасибо!vla писал(а):Про болты она пишет не через диспетчер конфликтов. А внизу в левом углу что то там про идентификатор и расстояние от края до болта.
Re: Все по болтам в Tekla Structures
Как устранить конфликт в компоненте, когда расстояния от болтов и отверстий до кромки меньше значений по умолчанию для соответствующего компонента?
В настройках показатель расстояния от болта до кромок =2*отв, как говорилось выше, но это не влияет на компонент.
В настройках показатель расстояния от болта до кромок =2*отв, как говорилось выше, но это не влияет на компонент.
Последний раз редактировалось bdv06 12 окт 2012, 21:43, всего редактировалось 1 раз.
- Таран Д. А.
- Администратор
- Сообщения: 2877
- Регистрация: 30 ноя 2011, 18:41
- Откуда: г. Москва
- Контактная информация:
Re: Все по болтам в Tekla Structures
Что то мне не совсем понятен вопрос. Можно немного подробнее что не получается и что нужно получить?bdv06 писал(а):Как устранить конфликт в компоненте, когда расстояния от болтов и отверстий до кромки меньше значений по умолчанию для соответствующего компонента?
В настройках показатель расстояния от болта до кромок =2*отв, как говорилось выше, но это не влияет на компонент.
Администратор Topengineer.ru 8 (495) 215-07-79 (офис) ; 8 (925) 755-9318 (сот.); Skype wildomen ; http://vk.com/tekla_structures
Разработка КМД | Разработка КМ | Разработка КЖ | Обучение Tekla Structures | Купить Tekla Structures
Разработка КМД | Разработка КМ | Разработка КЖ | Обучение Tekla Structures | Купить Tekla Structures
Re: Все по болтам в Tekla Structures
Хоть болты разнес в обе стороны и в диспетчере конфликтов текла проблемы не находит, символ компонента желтый!
В строке выводится сообщение: расстояние до кромки болта с идентификатором №... слишком мало. Как это исправить?
Нашел в мануале описание проблемы, но сам додуматься не могу, нужна ваша помощь.
В строке выводится сообщение: расстояние до кромки болта с идентификатором №... слишком мало. Как это исправить?
Нашел в мануале описание проблемы, но сам додуматься не могу, нужна ваша помощь.
Re: Все по болтам в Tekla Structures
Так, на всякий случай, вы же знаете что прогоны (два разных элемента) крепить в шпальнику(уголок) нужно каждый отдельным комплектом болтов? потому что в чертеже на одном прогоне будет 4 отверстия, одна пара в воздухе, а на втором не будет их вообще... (со времен 16 теклы)bdv06 писал(а):Как устранить конфликт в компоненте, когда расстояния от болтов и отверстий до кромки меньше значений по умолчанию для соответствующего компонента?
В настройках показатель расстояния от болта до кромок =2*отв, как говорилось выше, но это не влияет на компонент.
Re: Все по болтам в Tekla Structures
Вот это не знал! Можно по-подробнее? Выходит, что этот компонент совсем не подходит для разрезных прогонов с креплением через уголок?Так, на всякий случай, вы же знаете что прогоны (два разных элемента) крепить в шпальнику(уголок) нужно каждый отдельным комплектом болтов? потому что в чертеже на одном прогоне будет 4 отверстия, одна пара в воздухе, а на втором не будет их вообще... (со времен 16 теклы)
Re: Все по болтам в Tekla Structures
поэксперементируйте, в 16 теле точно была такая проблема, теперь у меня привычка разбивать болты.bdv06 писал(а):Вот это не знал! Можно по-подробнее? Выходит, что этот компонент совсем не подходит для разрезных прогонов с креплением через уголок?Так, на всякий случай, вы же знаете что прогоны (два разных элемента) крепить в шпальнику(уголок) нужно каждый отдельным комплектом болтов? потому что в чертеже на одном прогоне будет 4 отверстия, одна пара в воздухе, а на втором не будет их вообще... (со времен 16 теклы)
- vladimir_a
- Сообщения: 699
- Регистрация: 07 дек 2011, 21:22
-
Green-list
- Сообщения: 5
- Регистрация: 23 окт 2012, 16:09
Анкерный блок
Пожалуйста подскажите, каким элементом из базы лучше всего чертить анкерный блок в монолитном фундаменте, под высокую базу колонны. Помогите ссылкой на урок или просто советом. Спасибо.
- Таран Д. А.
- Администратор
- Сообщения: 2877
- Регистрация: 30 ноя 2011, 18:41
- Откуда: г. Москва
- Контактная информация:
Re: Анкерный блок
АрматуройGreen-list писал(а):Пожалуйста подскажите, каким элементом из базы лучше всего чертить анкерный блок в монолитном фундаменте, под высокую базу колонны. Помогите ссылкой на урок или просто советом. Спасибо.
Администратор Topengineer.ru 8 (495) 215-07-79 (офис) ; 8 (925) 755-9318 (сот.); Skype wildomen ; http://vk.com/tekla_structures
Разработка КМД | Разработка КМ | Разработка КЖ | Обучение Tekla Structures | Купить Tekla Structures
Разработка КМД | Разработка КМ | Разработка КЖ | Обучение Tekla Structures | Купить Tekla Structures
Re: Все по болтам в Tekla Structures
Всем Здравствуйте!
Подскажите как лучше создавать пазы под болты в опорных плитах?
Подскажите как лучше создавать пазы под болты в опорных плитах?
- vladimir_a
- Сообщения: 699
- Регистрация: 07 дек 2011, 21:22
Re: Все по болтам в Tekla Structures
многоугольник или контурная пластина+обрез другой детальюВДИ писал(а):Всем Здравствуйте!
Подскажите как лучше создавать пазы под болты в опорных плитах?
Re: Все по болтам в Tekla Structures
Спасибо.vla писал(а):многоугольник или контурная пластина+обрез другой детальюВДИ писал(а):Всем Здравствуйте!
Подскажите как лучше создавать пазы под болты в опорных плитах?
Re: Все по болтам в Tekla Structures
..вырез многоугольником и фаски(радиус) в углах
pdimav1979(не собака)yandex.ru
Re: Все по болтам в Tekla Structures
Если делать вырез многоугольником то на чертежах автоматически не образмеривается вырез, надо вручную!!! Хотя если кто знает как это настроить, подскажите. Я эту тему уже поднимал...
Re: Все по болтам в Tekla Structures
Присоединяюсь.pv-maks писал(а):Если делать вырез многоугольником то на чертежах автоматически не образмеривается вырез, надо вручную!!! Хотя если кто знает как это настроить, подскажите. Я эту тему уже поднимал...
При вырезе контурной пластиной,всё вроде получается.Но на чертеже нет межосевых и почемуто два радиуса.
Re: Все по болтам в Tekla Structures
Два радиуса делает потому что у тебя две фаски скругленных. Если делать одну по центру выреза, то и радиус один. Вот что получается автоматически (не откорректированный чертеж): один радиус, длина паза, но дает доп.размер 5мм, для чего не понятно... Просто надо вручную убрать одну размерную точку...ВДИ писал(а):Присоединяюсь.pv-maks писал(а):Если делать вырез многоугольником то на чертежах автоматически не образмеривается вырез, надо вручную!!! Хотя если кто знает как это настроить, подскажите. Я эту тему уже поднимал...
При вырезе контурной пластиной,всё вроде получается.Но на чертеже нет межосевых и почемуто два радиуса.
Последний раз редактировалось pv-maks 23 ноя 2012, 09:57, всего редактировалось 1 раз.
Re: Все по болтам в Tekla Structures
Спасибо!pv-maks писал(а):Два выреза делает потому что у тебя две фаски скругленных. Если делать одну по центру выреза, то и радиус один. Вот что получается автоматически (не откорректированный чертеж): один радиус, длина паза, но дает доп.размер 5мм, для чего не понятно... Просто надо вручную убрать одну размерную точку...ВДИ писал(а):Присоединяюсь.pv-maks писал(а):Если делать вырез многоугольником то на чертежах автоматически не образмеривается вырез, надо вручную!!! Хотя если кто знает как это настроить, подскажите. Я эту тему уже поднимал...
При вырезе контурной пластиной,всё вроде получается.Но на чертеже нет межосевых и почемуто два радиуса.
Re: Все по болтам в Tekla Structures
Здравствуйте!
У меня вопрос по поводу параметра Thread in mat (Резьба в материале) - как я понял, имеется в виду не нарезание резьбы в соединяемых деталях, а
возможность нахождения внутри этих деталей участка болта с резьбой. Как задается длина участка резьбы в материале, конкретно интересует возможность
задавать наличие резьбы на уровне стыка соединяемых деталей?
У меня вопрос по поводу параметра Thread in mat (Резьба в материале) - как я понял, имеется в виду не нарезание резьбы в соединяемых деталях, а
возможность нахождения внутри этих деталей участка болта с резьбой. Как задается длина участка резьбы в материале, конкретно интересует возможность
задавать наличие резьбы на уровне стыка соединяемых деталей?
- Таран Д. А.
- Администратор
- Сообщения: 2877
- Регистрация: 30 ноя 2011, 18:41
- Откуда: г. Москва
- Контактная информация:
Re: Все по болтам в Tekla Structures
А для чего использовать то это?smonder писал(а):Здравствуйте!
У меня вопрос по поводу параметра Thread in mat (Резьба в материале) - как я понял, имеется в виду не нарезание резьбы в соединяемых деталях, а
возможность нахождения внутри этих деталей участка болта с резьбой. Как задается длина участка резьбы в материале, конкретно интересует возможность
задавать наличие резьбы на уровне стыка соединяемых деталей?
Проще не использовать гроверы а делать все на двух гайках.Высокопрочку разумеется на 1 но им не страшно и резьба в материале так как все соединения на высокопрочных болтах фрикционные.
Администратор Topengineer.ru 8 (495) 215-07-79 (офис) ; 8 (925) 755-9318 (сот.); Skype wildomen ; http://vk.com/tekla_structures
Разработка КМД | Разработка КМ | Разработка КЖ | Обучение Tekla Structures | Купить Tekla Structures
Разработка КМД | Разработка КМ | Разработка КЖ | Обучение Tekla Structures | Купить Tekla Structures
Re: Все по болтам в Tekla Structures
Не подскажите, как настроить в длине болта точность? Мне нужно "85", а не "85.0"
- Таран Д. А.
- Администратор
- Сообщения: 2877
- Регистрация: 30 ноя 2011, 18:41
- Откуда: г. Москва
- Контактная информация:
Re: Все по болтам в Tekla Structures
Создай шаблон там указываей все что угодно.
И вообще, раздели описане хотя бы на 2-3 строчки. Чтото оно длинное у тебя.
И вообще, раздели описане хотя бы на 2-3 строчки. Чтото оно длинное у тебя.
Администратор Topengineer.ru 8 (495) 215-07-79 (офис) ; 8 (925) 755-9318 (сот.); Skype wildomen ; http://vk.com/tekla_structures
Разработка КМД | Разработка КМ | Разработка КЖ | Обучение Tekla Structures | Купить Tekla Structures
Разработка КМД | Разработка КМ | Разработка КЖ | Обучение Tekla Structures | Купить Tekla Structures
Re: Все по болтам в Tekla Structures
Да меня устраивает стандартное, думал может где-то одно значение поменять и все. Ну шаблон, так шаблон. Спасибо.Таран Д. А. писал(а):Создай шаблон там указываей все что угодно.
И вообще, раздели описание хотя бы на 2-3 строчки. Что-то оно длинное у тебя.
Re: Все по болтам в Tekla Structures
С болтами случилась оказия. Отказываются пробивать пакет из 3-х деталей. Все переустанавливал, среду свою из архива (когда все работало) заново ставил. Причем в среде Россия все хорошо. Что может быть?
Причем это случилось и на других компьютерах. Даже если создать новую модель. Эпидемия))
Причем это случилось и на других компьютерах. Даже если создать новую модель. Эпидемия))
phpbb3 styles
Кто сейчас на конференции
Сейчас этот форум просматривают: нет зарегистрированных пользователей и 10 гостей

