Фланцы в Текле
-
- Сообщения: 36
- Регистрация: 28 фев 2018, 10:39
Фланцы в Текле
Есть ли у кого нибудь фланцы разных типов по ГОСТ 33259-2015 или подобные . Находил на форуме человека который создавал компонент, но неизвестно закончил ли.
Re: Фланцы в Текле
если нужен компонент могу сделать. Пиши в личку.NikolayRyazan писал(а): ↑30 авг 2018, 15:26Есть ли у кого нибудь фланцы разных типов по ГОСТ 33259-2015 или подобные . Находил на форуме человека который создавал компонент, но неизвестно закончил ли.
-
- Сообщения: 36
- Регистрация: 28 фев 2018, 10:39
Re: Фланцы в Текле
Человек в под ником Montag сделал компонент фланцев. Ссылка на профиль memberlist.php?mode=viewprofile&u=28317
Дал добро выложить в открытый доступ. Возможно пригодиться кому (файлы в прикреплении). Фланцы сделаны по гост 33259-2015. На данный момент двух типов 01 и 11.
Инструкция:
-в папке \flange\app\source открыть файл flanges_t01.xls (фланцы типа 01) либо flanges_t11.xls (фланцы типа 11) и добавить необходимые фланцы из табл. 3 и 6 из ГОСТ 33259-2015. (Некоторые фланцы уже добавлены). Сохраняем файл. Файл flanges_s.xls это файл с исполнениями. Он заполнен и его редактировать не требуется.
- в папке \flange\app запустить генератор ProfileGenerator.exe нажать на кнопку "start!" программа сгенерирует профили фланцев и документ flanges.txt в папке app\Result.
- файл flanges.txt необходимо поместить в папку модели CustomComponentDialogFiles.
-открывает теклу и импортирует пользовательский компонент фланец.uel из папки flanges
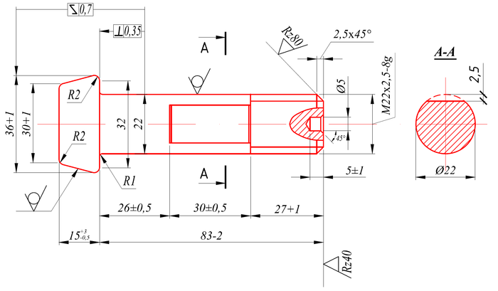
-как выглядит компонент см. рис.1. В компоненте пресутствует переменная d_in[auto]. Переменная сделана для фланцев типа 01 начиная с DN100, т.к. у фланцев с одинаковой маркировкой может быть разный внутренний диаметр. При необходимости его вписывать вручную. Для восстановления стандартного значения значение удалить. В остальных случаях (когда внутренний диаметр один) изменение переменной d_in[auto] не требуется.
-так же в компоненте есть переменная со значениями "d" и "UserProfile". Переменная сделана для корректного отображения в спецификациях. Если выбрано значение "d" в спецификациях отображается круг. Если выбрано "UserProfile" и предварительно подгружены профили в каталог теклы, которые сгенерировала ProfileGenerator.exe в папку \flange\app\Result\Profiles, то фланцы в спецификации будут отображаться по ГОСТ например 10-1-11-1-А, 80-10-01-E и т.д. При переключении значения с "d" на "UserProfile" тело элемента может не отображаться из-за не подгруженного профиля в каталоге теклы.
-возможно не подгружать профили. В таком случае обозначение фланцев можно проставлять атрибутом "обработка".
-если фланец отображается красным цветом это значит что в файлах flanges_t01.xls, flanges_t11.xls их нет, они не сгенерированы, либо файл flanges.txt не подгружен в папку модели.
...............................
Компонент сделан товарищем Montag на энтузиазме и небольшим финансированием. Если будут какие либо недоработки, предлагается доделывать это своими силами и делиться результатом. Спасибо!
Дал добро выложить в открытый доступ. Возможно пригодиться кому (файлы в прикреплении). Фланцы сделаны по гост 33259-2015. На данный момент двух типов 01 и 11.
Инструкция:
-в папке \flange\app\source открыть файл flanges_t01.xls (фланцы типа 01) либо flanges_t11.xls (фланцы типа 11) и добавить необходимые фланцы из табл. 3 и 6 из ГОСТ 33259-2015. (Некоторые фланцы уже добавлены). Сохраняем файл. Файл flanges_s.xls это файл с исполнениями. Он заполнен и его редактировать не требуется.
- в папке \flange\app запустить генератор ProfileGenerator.exe нажать на кнопку "start!" программа сгенерирует профили фланцев и документ flanges.txt в папке app\Result.
- файл flanges.txt необходимо поместить в папку модели CustomComponentDialogFiles.
-открывает теклу и импортирует пользовательский компонент фланец.uel из папки flanges
-как выглядит компонент см. рис.1. В компоненте пресутствует переменная d_in[auto]. Переменная сделана для фланцев типа 01 начиная с DN100, т.к. у фланцев с одинаковой маркировкой может быть разный внутренний диаметр. При необходимости его вписывать вручную. Для восстановления стандартного значения значение удалить. В остальных случаях (когда внутренний диаметр один) изменение переменной d_in[auto] не требуется.
-так же в компоненте есть переменная со значениями "d" и "UserProfile". Переменная сделана для корректного отображения в спецификациях. Если выбрано значение "d" в спецификациях отображается круг. Если выбрано "UserProfile" и предварительно подгружены профили в каталог теклы, которые сгенерировала ProfileGenerator.exe в папку \flange\app\Result\Profiles, то фланцы в спецификации будут отображаться по ГОСТ например 10-1-11-1-А, 80-10-01-E и т.д. При переключении значения с "d" на "UserProfile" тело элемента может не отображаться из-за не подгруженного профиля в каталоге теклы.
-возможно не подгружать профили. В таком случае обозначение фланцев можно проставлять атрибутом "обработка".
-если фланец отображается красным цветом это значит что в файлах flanges_t01.xls, flanges_t11.xls их нет, они не сгенерированы, либо файл flanges.txt не подгружен в папку модели.
...............................
Компонент сделан товарищем Montag на энтузиазме и небольшим финансированием. Если будут какие либо недоработки, предлагается доделывать это своими силами и делиться результатом. Спасибо!
- Вложения
-
flange.rar
- (836.57 КБ) 543 скачивания
- Таран Д. А.
- Администратор
- Сообщения: 2877
- Регистрация: 30 ноя 2011, 18:41
- Откуда: г. Москва
- Контактная информация:
Re: Фланцы в Текле
Можно и параметрически сделать без проблем. Я часто такие делаю
Администратор Topengineer.ru 8 (495) 215-07-79 (офис) ; 8 (925) 755-9318 (сот.); Skype wildomen ; http://vk.com/tekla_structures
Разработка КМД | Разработка КМ | Разработка КЖ | Обучение Tekla Structures | Купить Tekla Structures
Разработка КМД | Разработка КМ | Разработка КЖ | Обучение Tekla Structures | Купить Tekla Structures
- Таран Д. А.
- Администратор
- Сообщения: 2877
- Регистрация: 30 ноя 2011, 18:41
- Откуда: г. Москва
- Контактная информация:
Re: Фланцы в Текле
От таки штуки
Администратор Topengineer.ru 8 (495) 215-07-79 (офис) ; 8 (925) 755-9318 (сот.); Skype wildomen ; http://vk.com/tekla_structures
Разработка КМД | Разработка КМ | Разработка КЖ | Обучение Tekla Structures | Купить Tekla Structures
Разработка КМД | Разработка КМ | Разработка КЖ | Обучение Tekla Structures | Купить Tekla Structures
- Таран Д. А.
- Администратор
- Сообщения: 2877
- Регистрация: 30 ноя 2011, 18:41
- Откуда: г. Москва
- Контактная информация:
Re: Фланцы в Текле
Все это просто профиль текла и при этом параметрический. Не нужно никаких плагинов или программ все есть в текле.
Администратор Topengineer.ru 8 (495) 215-07-79 (офис) ; 8 (925) 755-9318 (сот.); Skype wildomen ; http://vk.com/tekla_structures
Разработка КМД | Разработка КМ | Разработка КЖ | Обучение Tekla Structures | Купить Tekla Structures
Разработка КМД | Разработка КМ | Разработка КЖ | Обучение Tekla Structures | Купить Tekla Structures
Re: Фланцы в Текле
Параметрический профиль это конечно хорошо, но суть в том чтоб пользователь вводил значение PN, DN, тип испонение поверхности, а табличные данные считывались с файла. Если делать параметрическим профилем то во-первых для каждого исполнения и типа фланца надо свой параметричемский профиль. Всего 2 типа и 11 исполнений по госту итого 2*11 = 22 профиля. (возможно меньше т.к. некоторые исполнения поверхности похожи) Во вторых пользователю прейдется все табличные данные вписывать вручную а там их штук 10. Потом отверстия надо все равно ставить поверху, а значит все это паковать во все тот же компонент. Также профиль должен попадать в спецификацию в нормальном виде к примеру "Фланец 50-10-11-1-М" , без редактирования шаблонов. В итоге для каждого фланца нужно создавать статический профиль на основе того параметрического при этом все табличные данные вводить вручную. если в модели 2-3 фланца то можно и вручную , но если их много разных, то после 10го фланца введенного вручную ты напишешь программу которая считывает табличные данные и генерит профиль. Вот если в параметрическом профиле в качестве параметра можно задавать букву и в формуле была бы возможность считывать число с текстового файла как в пользовательском компоненте то тогда можно это сделать и параметрическим профилем запакованным в пользовательский компонент (для отверстий).Таран Д. А. писал(а): ↑23 ноя 2018, 13:35Все это просто профиль текла и при этом параметрический. Не нужно никаких плагинов или программ все есть в текле.
Самым правильным решение для этой задачи была бы програмная генерация файлов obj или ifc для каждого фланца для последующего импорта в теклу как item. Blender api + python или библиотека xBIM + c#. По времени это заняло бы больше чем тот вариан который уже реализован. Но мне было бы интересно увидеть реализацию с помощью параметрического профиля
Re: Фланцы в Текле
Можно на лету создавать brep item через апи.
phpbb3 styles
Кто сейчас на конференции
Сейчас этот форум просматривают: Bing [Bot] и 1 гость