Практический семинар Tekla Structures 2017

Изгиб полосы винтом в Tekla Structures

Ответить
Grizzley
Сообщения: 5
Регистрация: 28 июн 2017, 08:35

Изгиб полосы винтом в Tekla Structures

Сообщение Grizzley » 28 июн 2017, 08:53

Здравствуйте!
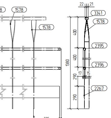
Подскажите кто знает: как создать модель детали из полосы с загибом конца на 90 градусов по винтовой (на примере дет. поз. 1578)?
Вложения
Снимок.JPG
Снимок.JPG (30.94 КБ) 2280 просмотров

Алексей
Сообщения: 118
Регистрация: 06 мар 2012, 14:17

Re: Изгиб полосы винтом

Сообщение Алексей » 29 июн 2017, 12:44

phpBB [media]

Ответить
phpbb3 styles

Вернуться в «3D моделирование в Tekla Structures»

Кто сейчас на конференции

Сейчас этот форум просматривают: нет зарегистрированных пользователей и 1 гость