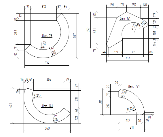
Tekla Structures иногда очень интересно располагает сложные детали на чертеже, так что изготовить или проверить их по размерам становиться затруднительно. В спецификации записаны с теми же размерами, так что разворачивать в чертеже их нельзя. Я не говорю уже про вес который тоже вычисляется не верно (если считается БРУТТО. т.е. по прямоугольнику)
Как с этим бороться? Или как избежать?
Расположение деталей на чертеже Tekla Structures
Re: Расположение деталей на чертеже
Если не ошибаюсь, Текла располагает деталь как минимальный прямоугольник. При использовании плазменного стола-это не имеет никакого значения, т.к. используется экспорт в дхф. Однако, если детали делаются врукопашную для лучшего чтения чертежа-нужно играться с углами z в аттрибутах видов.
Re: Расположение деталей на чертеже
XS_POLYGON_PERPENDICULAR_EDGE_PREFERENCE_FACTOR
Работа с пластинами
Этот расширенный параметр позволяет искусственно манипулировать тем,
какая сторона пластины считается "самой длинной".
На чертежах самая длинная сторона многоугольных пластин всегда
обращена вниз, что может влиять на пластины с перпендикулярными
кромками.
Эту информацию затем можно использовать, например, для изменения
поворота пластины на чертежах или при выборе того, какая из сторон
пластины будет считаться "длиной", а какая "шириной".
Этот расширенный параметр используется для пластин с
перпендикулярными сторонами на чертежах. Если у пластины есть кромка,
которая перпендикулярна текущей кромке и не является смежной с ней,
пластина поворачивается.
Категория
Категория
Алфавитный список расширенных параметров 266 P
Значение по умолчанию — 1.5.
В приведенном выше примере, когда расширенному параметру
XS_POLYGON_PERPENDICULAR_EDGE_PREFERENCE_FACTOR присвоено
значение 1, все стороны умножаются на 1, и рамка ограничения вида
вычерчивается по самой длинной стороне. В результате длина равна
2715.02, а ширина 1046.94.
Если присвоить этому расширенному параметру значение 0, образующие
прямой угол кромки A’ и B’ умножаются на 10. Если полученное
произведение больше самой длинной стороны C’, рамка ограничения вида
вычерчивается по сторонам A’ и B’. В результате длина составит 2353.55, а
ширина 1353.55.
Этот расширенный параметр связан с конкретной моделью; его значение
сохраняется в файле базе данных параметров.
См. также XS_POLYGON_SQUARE_CORNER_PREFERENCE_FACTOR на стр 268
Алфавитный список расширенных параметров 267 P
XS_POLYGON_SQUARE_CORNER_PREFERENCE_FACTOR
Работа с пластинами
Этот расширенный параметр позволяет искусственно манипулировать тем,
какая сторона пластины считается "самой длинной".
На чертежах этот расширенный параметр также используется для
управления поворотом пластин с прямыми углами. На чертежах самая
длинная сторона многоугольных пластин всегда обращена вниз, что может
влиять на пластины с прямыми углами, как показано ниже:
Эту информацию затем можно использовать, например, для изменения
поворота пластины на чертежах или при выборе того, какая из сторон
пластины будет считаться "длиной", а какая "шириной".
Этот расширенный параметр используется для пластин, имеющих две
последовательные кромки, перпендикулярные друг другу. Если этому
расширенному параметру присвоено значение коэффициента, Tekla
Structures умножает длину стороны, следующей за прямым углом, на этот
коэффициент, что делает ее самой длинной стороной. В отчетах эта сторона
будет считаться "длиной", а соответствующее перпендикулярное расстояние
"шириной".
Категория
Алфавитный список расширенных параметров 268 P
Тем не менее Tekla Structures будет продолжать использовать фактические
размеры пластины.
В приведенном выше примере, когда расширенному параметру
XS_POLYGON_SQUARE_CORNER_PREFERENCE_FACTOR присвоено значение 1,
все стороны умножаются на 1, и рамка ограничения вида вычерчивается по
самой длинной стороне. В результате длина равна 2715.02, а ширина
1173.35.
Если присвоить этому расширенному параметру значение 10, на 10
умножаются только образующие прямой угол кромки A’ и B’. Если полученное
произведение больше самой длинной стороны C’, рамка ограничения вида
вычерчивается по сторонам A’ и B’. В результате длина составит 2353.55, а
ширина 1353.55.
По умолчанию этот расширенный параметр имеет значение 2.0.
Этот расширенный параметр связан с конкретной моделью; его значение
сохраняется в файле базе данных параметров.
Ну вот пожалуй и всё! всем спасибо)
Работа с пластинами
Этот расширенный параметр позволяет искусственно манипулировать тем,
какая сторона пластины считается "самой длинной".
На чертежах самая длинная сторона многоугольных пластин всегда
обращена вниз, что может влиять на пластины с перпендикулярными
кромками.
Эту информацию затем можно использовать, например, для изменения
поворота пластины на чертежах или при выборе того, какая из сторон
пластины будет считаться "длиной", а какая "шириной".
Этот расширенный параметр используется для пластин с
перпендикулярными сторонами на чертежах. Если у пластины есть кромка,
которая перпендикулярна текущей кромке и не является смежной с ней,
пластина поворачивается.
Категория
Категория
Алфавитный список расширенных параметров 266 P
Значение по умолчанию — 1.5.
В приведенном выше примере, когда расширенному параметру
XS_POLYGON_PERPENDICULAR_EDGE_PREFERENCE_FACTOR присвоено
значение 1, все стороны умножаются на 1, и рамка ограничения вида
вычерчивается по самой длинной стороне. В результате длина равна
2715.02, а ширина 1046.94.
Если присвоить этому расширенному параметру значение 0, образующие
прямой угол кромки A’ и B’ умножаются на 10. Если полученное
произведение больше самой длинной стороны C’, рамка ограничения вида
вычерчивается по сторонам A’ и B’. В результате длина составит 2353.55, а
ширина 1353.55.
Этот расширенный параметр связан с конкретной моделью; его значение
сохраняется в файле базе данных параметров.
См. также XS_POLYGON_SQUARE_CORNER_PREFERENCE_FACTOR на стр 268
Алфавитный список расширенных параметров 267 P
XS_POLYGON_SQUARE_CORNER_PREFERENCE_FACTOR
Работа с пластинами
Этот расширенный параметр позволяет искусственно манипулировать тем,
какая сторона пластины считается "самой длинной".
На чертежах этот расширенный параметр также используется для
управления поворотом пластин с прямыми углами. На чертежах самая
длинная сторона многоугольных пластин всегда обращена вниз, что может
влиять на пластины с прямыми углами, как показано ниже:
Эту информацию затем можно использовать, например, для изменения
поворота пластины на чертежах или при выборе того, какая из сторон
пластины будет считаться "длиной", а какая "шириной".
Этот расширенный параметр используется для пластин, имеющих две
последовательные кромки, перпендикулярные друг другу. Если этому
расширенному параметру присвоено значение коэффициента, Tekla
Structures умножает длину стороны, следующей за прямым углом, на этот
коэффициент, что делает ее самой длинной стороной. В отчетах эта сторона
будет считаться "длиной", а соответствующее перпендикулярное расстояние
"шириной".
Категория
Алфавитный список расширенных параметров 268 P
Тем не менее Tekla Structures будет продолжать использовать фактические
размеры пластины.
В приведенном выше примере, когда расширенному параметру
XS_POLYGON_SQUARE_CORNER_PREFERENCE_FACTOR присвоено значение 1,
все стороны умножаются на 1, и рамка ограничения вида вычерчивается по
самой длинной стороне. В результате длина равна 2715.02, а ширина
1173.35.
Если присвоить этому расширенному параметру значение 10, на 10
умножаются только образующие прямой угол кромки A’ и B’. Если полученное
произведение больше самой длинной стороны C’, рамка ограничения вида
вычерчивается по сторонам A’ и B’. В результате длина составит 2353.55, а
ширина 1353.55.
По умолчанию этот расширенный параметр имеет значение 2.0.
Этот расширенный параметр связан с конкретной моделью; его значение
сохраняется в файле базе данных параметров.
Ну вот пожалуй и всё! всем спасибо)
phpbb3 styles
Кто сейчас на конференции
Сейчас этот форум просматривают: нет зарегистрированных пользователей и 13 гостей

