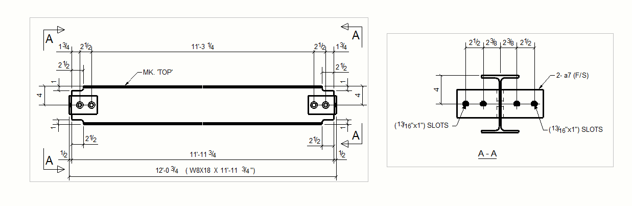
Добрый день,есть проблема, при создании чертежей делаю сечения с двух сторон балки, которые одинаковые, но их надо показать раздельно, (картинка 1)
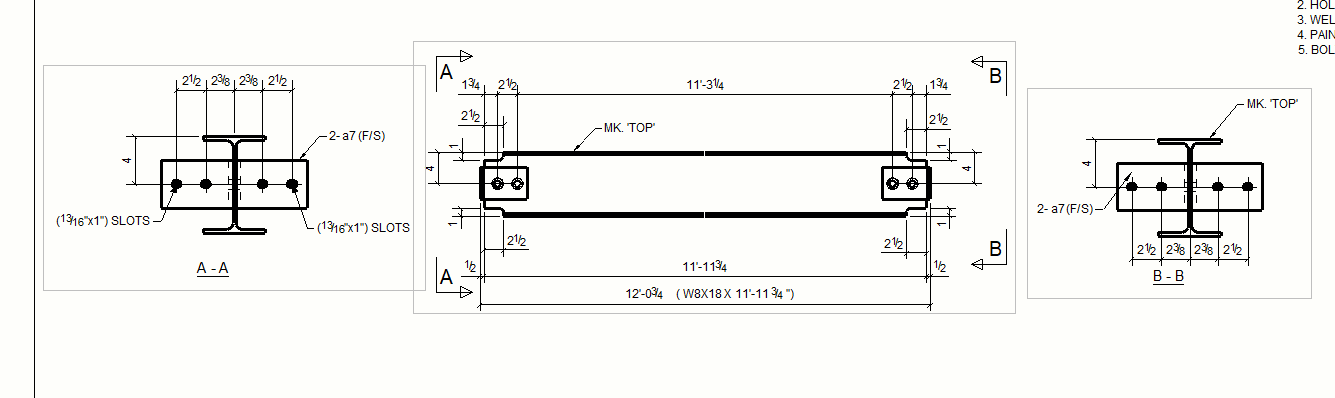
и текла при перенумерации балки удаляет одно из них, и ставит символ сечения, как будто они одинаковые(картинка 2)
Подскажите как настроить пожалуйста, чтобы она так не делала.
Исчезание сечений с чертежа
Создание чертежей в Tekla Structures
phpbb3 styles
Вернуться в «Создание чертежей в Tekla Structures»
Перейти
- Форум пользователей САПР Tekla Structures
- ↳ Среда TopEngineer
- ↳ Справка WeldApp (Topengineer tools)
- ↳ Обсуждение WeldApp (Topengineer tools)
- ↳ Обновления WeldApp (Topengineer tools)
- ↳ 3D моделирование в Tekla Structures
- ↳ Создание чертежей в Tekla Structures
- ↳ Связь Tekla Structures c расчетными программами
- ↳ Редактор шаблонов Tekla Structures
- ↳ Сравнение Tekla Structures с другими программами
- ↳ Создание в Tekla Structures пользовательских компонентов
- ↳ Работа в многопользовательской модели в Tekla Structures
- ↳ Предложения по улучшению Tekla Structures
- ↳ Вопросы по среде KMD_RUS для Tekla Structures
- ↳ Вопросы по среде RUSSIA для Tekla Stuctures
- ↳ Видео уроки по Tekla Structures
- ↳ Расширенные настройки Tekla Structures
- ↳ Настройка печати в Tekla Structures
- ↳ Связь Tekla Structures с 1С
- ↳ Общение пользователей Tekla Structures
- ↳ Управление станками в Tekla Structures
- ↳ Редактор профилей в Tekla Structures
- ↳ Конференции по Tekla Structures
- ↳ Topengineer.ru ОФТОП
- ↳ Предложение работы в Tekla Structures
- Форум пользователей Advance Steel
- ↳ 3D моделирование в Advance Steel
- ↳ Создание чертежей в Advance Steel
- Форум пользователей Robot Structural Analysis
- ↳ Составление отчета в Robot Structural Analysis
- ↳ Результаты расчета в Robot Structural Analysis
- ↳ Расчет конструкций в Robot Structural Analysis
- ↳ Задание нагрузок в Robot Structural Analysis
- ↳ Узлы. Создание и расчет в Robot Structural Analysis
- ↳ Генератор рам в Robot Structural Analysis
- ↳ Определение и изменение сечений в Robot Structural Analysis
- ↳ Подбор сечений в Robot Structural Analysis
- ↳ Другие вопросы Robot Structural Analysis
- Форум пользователей Лира-САПР
- ↳ Интерфейс ЛИРА-САПР
- ↳ Моделирование ЛИРА-САПР. Стальные конструкции
- ↳ Моделирование ЛИРА-САПР. Железобетонные конструкции
- ↳ Моделирование ЛИРА-САПР. Деревянные, каменные конструкции
- ↳ Нагрузки ЛИРА-САПР
- ↳ Анализ результатов расчета ЛИРА-САПР
- ↳ СТК-САПР
- ↳ АРМ-САПР
- ↳ САПФИР
- ↳ Модуль ГРУНТ ЛИРА-САПР
- ↳ Нелинейные расчеты ЛИРА-САПР
- ↳ Общетехнические вопросы ЛИРА-САПР
- ↳ Связь с другими программами ЛИРА-САПР
- ↳ Примеры расчетных моделей ЛИРА-САПР
- ↳ Сопромат с ЛИРА-САПР
- ↳ Другие вопросы ЛИРА-САПР
- Форум пользователей IDEA StatiCa
- ↳ Интерфейс IDEA StatiCa
- ↳ IDEA StatiCa member
- ↳ Моделирование металла в IDEA StatiCa
- ↳ Моделирование железобетона в IDEA StatiCa
- ↳ Результаты расчета IDEA StatiCa
- ↳ Связь с IDEA StatiCa с другими программами
- ↳ Другие вопросы по IDEA StatiCa
Кто сейчас на конференции
Сейчас этот форум просматривают: нет зарегистрированных пользователей и 14 гостей

