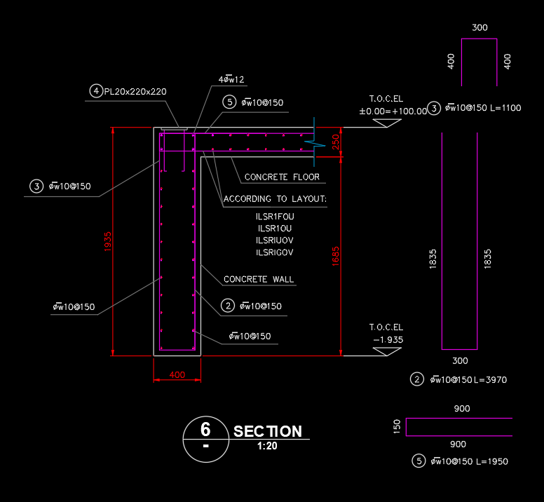
Вынос стержней арматуры рядом с чертежом ЖБ элемента.
-
Iuliia_מהנדסת בניין
- Сообщения: 2
- Регистрация: 11 ноя 2020, 12:15
Вынос стержней арматуры рядом с чертежом ЖБ элемента.
Подскажите, как можно вынести стержни арматуры отдельно рядом с видом ЖБ элемента? И возможно ли это?
-
Константин
- Сообщения: 148
- Регистрация: 14 авг 2012, 09:59
- Откуда: Луганск, Ессентуки
- Контактная информация:
Re: Вынос стержней арматуры рядом с чертежом ЖБ элемента.
Только путем создания дополнительных видов с отображением каждого стержня...
Другого способа пока не придумал
Другого способа пока не придумал
Re: Вынос стержней арматуры рядом с чертежом ЖБ элемента.
Iuliia_מהנדסת בניין писал(а): ↑11 ноя 2020, 14:19Подскажите, как можно вынести стержни арматуры отдельно рядом с видом ЖБ элемента? И возможно ли это?
phpbb3 styles
Кто сейчас на конференции
Сейчас этот форум просматривают: нет зарегистрированных пользователей и 8 гостей

