Тела вращения и конструкции МАРХИ в Tekla Structures
- Таран Д. А.
- Администратор
- Сообщения: 2877
- Регистрация: 30 ноя 2011, 18:41
- Откуда: г. Москва
- Контактная информация:
Тела вращения и конструкции МАРХИ в Tekla Structures
Пример реализации параметрических тел вращения стандартными инструментами
Администратор Topengineer.ru 8 (495) 215-07-79 (офис) ; 8 (925) 755-9318 (сот.); Skype wildomen ; http://vk.com/tekla_structures
Разработка КМД | Разработка КМ | Разработка КЖ | Обучение Tekla Structures | Купить Tekla Structures
Разработка КМД | Разработка КМ | Разработка КЖ | Обучение Tekla Structures | Купить Tekla Structures
Re: Тела вращения и конструкции МАРХИ в Tekla Structures
Чертежи деталей как делали?
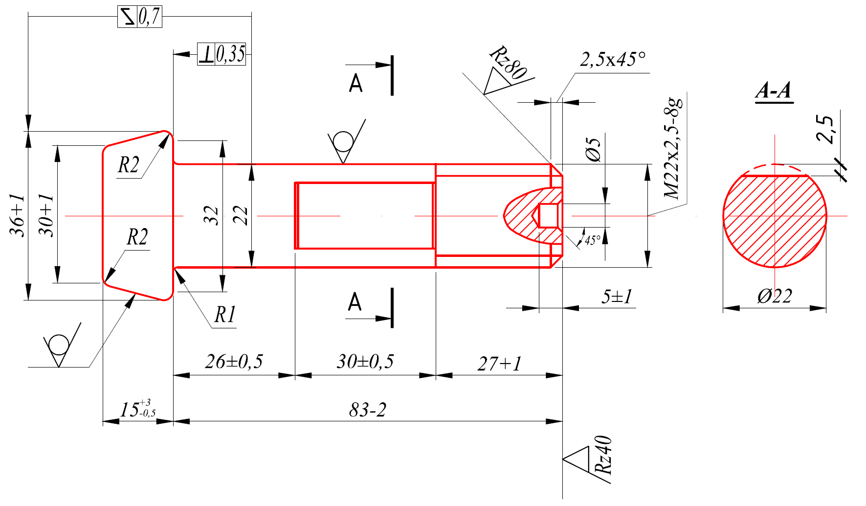
На нижней детали разрез А-А повернут на 90 градусов, это правильно?
На нижней детали разрез А-А повернут на 90 градусов, это правильно?
- pavelkutas
- Сообщения: 276
- Регистрация: 16 янв 2013, 14:11
- Откуда: Санкт-Петербург
- Контактная информация:
- Таран Д. А.
- Администратор
- Сообщения: 2877
- Регистрация: 30 ноя 2011, 18:41
- Откуда: г. Москва
- Контактная информация:
Re: Тела вращения и конструкции МАРХИ в Tekla Structures
1) Вид А-А повернут там знак повернут есть просто на скриншот не попал.pavelkutas писал(а): ↑22 авг 2018, 11:28это не текловский чертеж, это покупное изделие, просто болт
2) Детали не покупные. Там достаточно большая номенклатура. Длины штифтов и особенно расположения отверстий разные. Короче все не так просто но компонентом делается на ура.
Остальные чертежи труб просто таблицей длин. Вот такое КМД
Администратор Topengineer.ru 8 (495) 215-07-79 (офис) ; 8 (925) 755-9318 (сот.); Skype wildomen ; http://vk.com/tekla_structures
Разработка КМД | Разработка КМ | Разработка КЖ | Обучение Tekla Structures | Купить Tekla Structures
Разработка КМД | Разработка КМ | Разработка КЖ | Обучение Tekla Structures | Купить Tekla Structures
- Таран Д. А.
- Администратор
- Сообщения: 2877
- Регистрация: 30 ноя 2011, 18:41
- Откуда: г. Москва
- Контактная информация:
Re: Тела вращения и конструкции МАРХИ в Tekla Structures
Самое сложное это создание параметрических тел вращения. Остальное вообще ерунда.
Администратор Topengineer.ru 8 (495) 215-07-79 (офис) ; 8 (925) 755-9318 (сот.); Skype wildomen ; http://vk.com/tekla_structures
Разработка КМД | Разработка КМ | Разработка КЖ | Обучение Tekla Structures | Купить Tekla Structures
Разработка КМД | Разработка КМ | Разработка КЖ | Обучение Tekla Structures | Купить Tekla Structures
Re: Тела вращения и конструкции МАРХИ в Tekla Structures
Я и спрашивал, как делали чертежи? Насколько я знаю в Текле нельзя делать выров, а также полувид полуразрез на одном и том же виде. Или я ошибаюсь? Также нет знаков шороховатости. Их делали символами?
- Таран Д. А.
- Администратор
- Сообщения: 2877
- Регистрация: 30 ноя 2011, 18:41
- Откуда: г. Москва
- Контактная информация:
Re: Тела вращения и конструкции МАРХИ в Tekla Structures
Да нет просто линиями нарисовано поверх.
Никаких плагинов не надо. Там подобных листов очень мало так что проблемой не является.
Администратор Topengineer.ru 8 (495) 215-07-79 (офис) ; 8 (925) 755-9318 (сот.); Skype wildomen ; http://vk.com/tekla_structures
Разработка КМД | Разработка КМ | Разработка КЖ | Обучение Tekla Structures | Купить Tekla Structures
Разработка КМД | Разработка КМ | Разработка КЖ | Обучение Tekla Structures | Купить Tekla Structures
Re: Тела вращения и конструкции МАРХИ в Tekla Structures
Добрый день! Подскажите, где можно почитать про то, как создавать такие тела вращения?
- Таран Д. А.
- Администратор
- Сообщения: 2877
- Регистрация: 30 ноя 2011, 18:41
- Откуда: г. Москва
- Контактная информация:
Re: Тела вращения и конструкции МАРХИ в Tekla Structures
Все тела вращения это просто полибалка с двувя скруглениями
Создаем нужный профиль в редакторе профилей.
Администратор Topengineer.ru 8 (495) 215-07-79 (офис) ; 8 (925) 755-9318 (сот.); Skype wildomen ; http://vk.com/tekla_structures
Разработка КМД | Разработка КМ | Разработка КЖ | Обучение Tekla Structures | Купить Tekla Structures
Разработка КМД | Разработка КМ | Разработка КЖ | Обучение Tekla Structures | Купить Tekla Structures
phpbb3 styles
Кто сейчас на конференции
Сейчас этот форум просматривают: нет зарегистрированных пользователей и 5 гостей

