Добрый день коллеги!
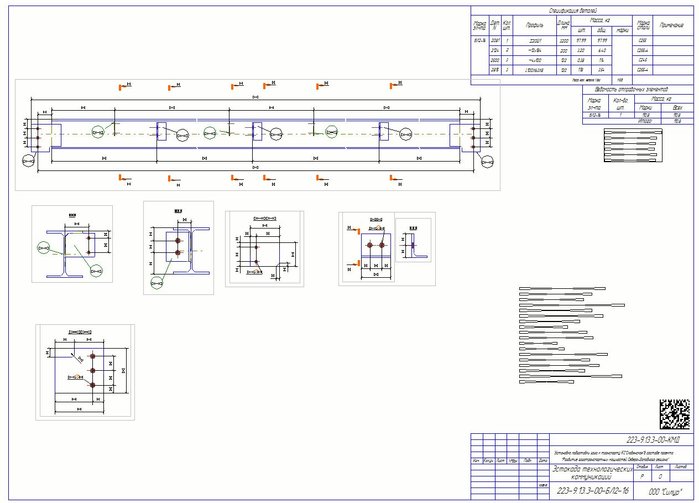
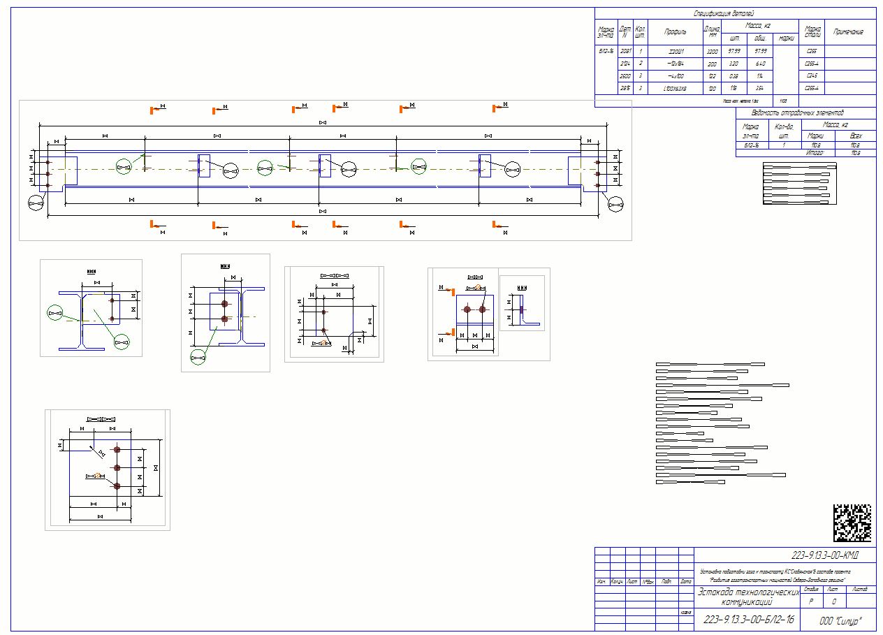
Появилась проблема с шрифтами, в обозначениях позиций и размерах. Что с этим делать?
Проблема с шрифтами Tekla Structures
Re: Проблема с шрифтами
а в чем проблема? приближать пробовали?
«Есть только две бесконечные вещи: Вселенная и глупость. Хотя насчет Вселенной я не вполне уверен.» А. Эйнштейн
Re: Проблема с шрифтами
Конечно, пробовал.
phpbb3 styles
Кто сейчас на конференции
Сейчас этот форум просматривают: нет зарегистрированных пользователей и 12 гостей

