Нужна срочно помощь!
-
Iuliia_מהנדסת בניין
- Сообщения: 2
- Регистрация: 11 ноя 2020, 12:15
Нужна срочно помощь!
Доброго времени суток.
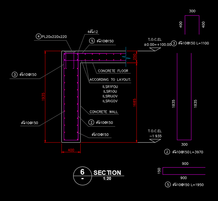
Подскажите, как можно вынести стержни арматуры отдельно рядом с видом ЖБ элемента? Приложен чертеж из Автокада. Каким образом я могу это сделать в Tekla?
phpbb3 styles
Кто сейчас на конференции
Сейчас этот форум просматривают: нет зарегистрированных пользователей и 13 гостей

