Точка вставки пользовательских компонентов
-
alik090489
- Сообщения: 22
- Регистрация: 07 ноя 2014, 23:59
Точка вставки пользовательских компонентов
Привет всем.
Помогите в решении следующей проблемы: создал узел фланцевого стыка нижнего пояса фермы (пока наброски, без болтов). При этом сделал его не как стык, а как соединение и получил какую-то непонятную привязку компонента при его вставке... Теперь вопрос: можно ли изменить тип соединения? можно ли не меняя типа соединения что-нибудь поделать с его привязкой?
Помогите в решении следующей проблемы: создал узел фланцевого стыка нижнего пояса фермы (пока наброски, без болтов). При этом сделал его не как стык, а как соединение и получил какую-то непонятную привязку компонента при его вставке... Теперь вопрос: можно ли изменить тип соединения? можно ли не меняя типа соединения что-нибудь поделать с его привязкой?
Последний раз редактировалось alik090489 06 мар 2015, 23:32, всего редактировалось 1 раз.
-
alik090489
- Сообщения: 22
- Регистрация: 07 ноя 2014, 23:59
Re: Точка вставки пользовательских компонентов
Добрый вечер всем.
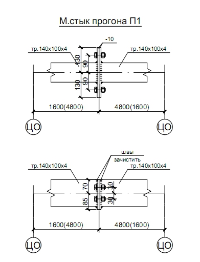
Подскажите какой тип соединения выбрать для пользовательского компонента "монтажный стык балок"(см.ниже). И какой тип положения необходимо задать?
Подскажите какой тип соединения выбрать для пользовательского компонента "монтажный стык балок"(см.ниже). И какой тип положения необходимо задать?
Re: Точка вставки пользовательских компонентов
тип компонента - Соединение. Чтобы компонент привязывался к конечным точкам главной/второстепенной детали надо сделать так:
-
alik090489
- Сообщения: 22
- Регистрация: 07 ноя 2014, 23:59
Re: Точка вставки пользовательских компонентов
Это будет работать если угол между элементами будет не 180 гр? Например, конек фермы?
Re: Точка вставки пользовательских компонентов
должно, только при создании компонента надо поставить +Z в направлении компонента. Ну и задавать в глобальной системе координат
-
alik090489
- Сообщения: 22
- Регистрация: 07 ноя 2014, 23:59
Re: Точка вставки пользовательских компонентов
Не подскажешь тогда что с моим узлом (см выше)? Могу его выслать в личку
Re: Точка вставки пользовательских компонентов
первый пост?
не уверен, что можно будет в уже созданном компоненте корректно поменять тип положения. Шли, попробуем
не уверен, что можно будет в уже созданном компоненте корректно поменять тип положения. Шли, попробуем
-
alik090489
- Сообщения: 22
- Регистрация: 07 ноя 2014, 23:59
Re: Точка вставки пользовательских компонентов
Скинь личку, переправлю.
Узел делаю не первый, но постоянно какие то проблемы - то привязка не та, то подрезка...
Узел делаю не первый, но постоянно какие то проблемы - то привязка не та, то подрезка...
-
alik090489
- Сообщения: 22
- Регистрация: 07 ноя 2014, 23:59
Re: Точка вставки пользовательских компонентов
По монтажному стыку сделал все как ты посоветовал, но:
1. для конькового узла, когда угол не 180 гр, узел встает не по центру. Текла почему то его смещает. Проверял уклон балок - вроде он слева и справа одинаков. Не пойму в чем дело;
2. если сделать стык при угле 180 гр - все гуд.
1. для конькового узла, когда угол не 180 гр, узел встает не по центру. Текла почему то его смещает. Проверял уклон балок - вроде он слева и справа одинаков. Не пойму в чем дело;
2. если сделать стык при угле 180 гр - все гуд.
-
alik090489
- Сообщения: 22
- Регистрация: 07 ноя 2014, 23:59
Re: Точка вставки пользовательских компонентов
Узелок заработал. Когда положение балки исправил на "середину" узел встал на место. Только иногда, на мой взгляд, не удобно привязывать балку за середину.
Re: Точка вставки пользовательских компонентов
Привяжи фланцы и подрезки к плоскости компонента и должно все получиться.
-
alik090489
- Сообщения: 22
- Регистрация: 07 ноя 2014, 23:59
Re: Точка вставки пользовательских компонентов
Так и сделал, но все равно работает только при выравнивание главной и второстепенной детали "по середине".
Re: Точка вставки пользовательских компонентов
пришли узел-то уже наконец 
-
alik090489
- Сообщения: 22
- Регистрация: 07 ноя 2014, 23:59
Re: Точка вставки пользовательских компонентов
С удовольствиев, скинь личку:)
-
alik090489
- Сообщения: 22
- Регистрация: 07 ноя 2014, 23:59
Re: Точка вставки пользовательских компонентов
https://www.dropbox.com/s/jhdx9uz52yrmf ... B.uel?dl=0
Последний раз редактировалось alik090489 12 мар 2015, 18:47, всего редактировалось 2 раза.
Re: Точка вставки пользовательских компонентов
куда чего скинуть?! личное сообщение отправь. С дропбокса качать не буду, доступа нетalik090489 писал(а):С удовольствиев, скинь личку:)
Re: Точка вставки пользовательских компонентов
монтажный стык балки.inp, *.inp - формат оформления диалогового окна компонента.
-
alik090489
- Сообщения: 22
- Регистрация: 07 ноя 2014, 23:59
Re: Точка вставки пользовательских компонентов
Ссылку обновил
phpbb3 styles
Кто сейчас на конференции
Сейчас этот форум просматривают: нет зарегистрированных пользователей и 5 гостей

